Part No. | Varistor Voltage | Maximum Allowable Voltage | Maximum Clamping Voltage | Withstanding Surge Current | Rated Wattage | Energy | ||
---|---|---|---|---|---|---|---|---|
V1mA (V) |
AC (V) |
DC (V) |
V (300A) |
Imax (8/20μs) (kA) |
In (8/20μs) (kA) |
(W) | (2ms) (J) |
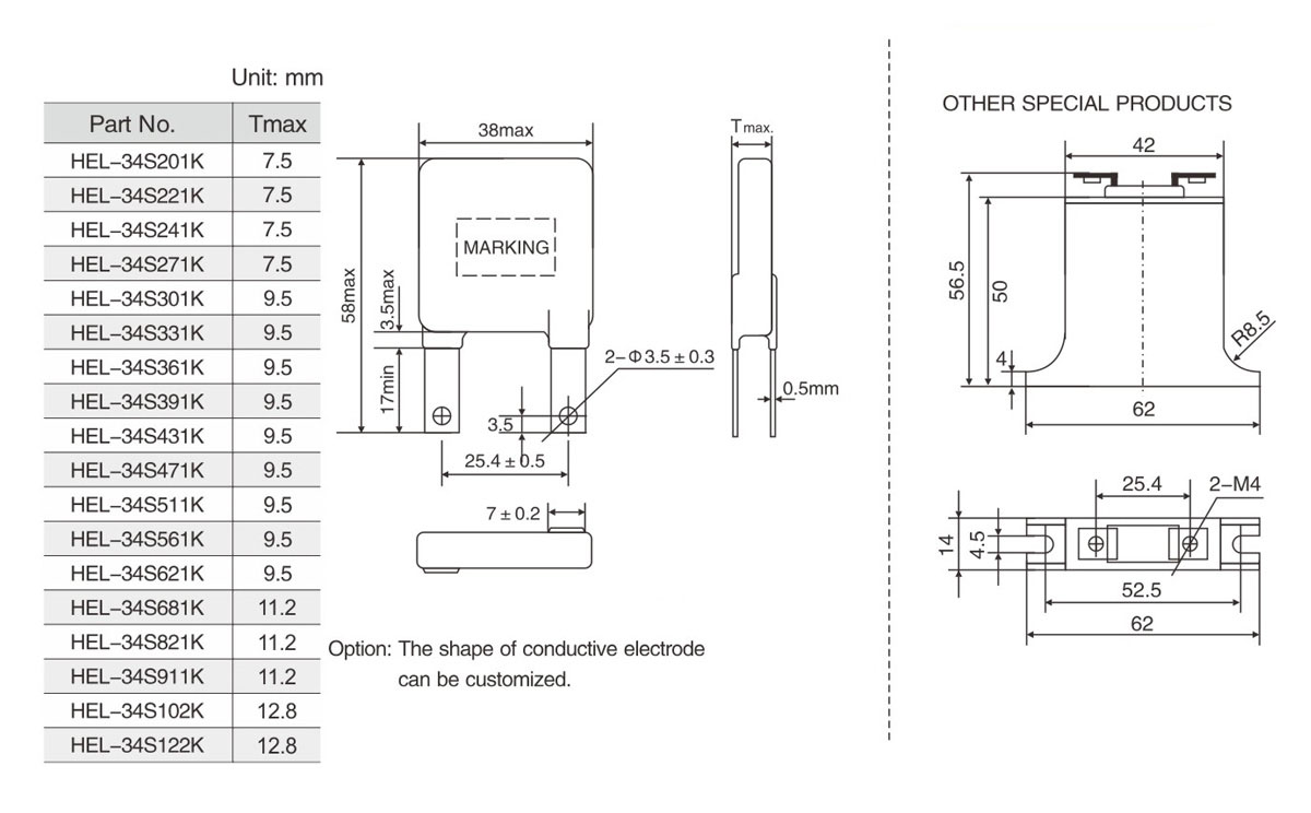
HEL-34S201K | 200(185- 225) | 130 | 170 | 340 | 40 | 20 | 1.4 | 260 |
HEL-34S221K | 220(198-242) | 140 | 180 | 360 | 40 | 20 | 1.4 | 280 |
HEL-34S241K | 240(216 -264) | 150 | 200 | 395 | 40 | 20 | 1.4 | 300 |
HEL-34S271K | 270(243- -297) | 175 | 225 | 455 | 40 | 20 | 1.4 | 340 |
HEL-34S301K | 300(270-330) | 190 | 245 | 500 | 40 | 20 | 1.4 | 360 |
HEL-34S331K | 330(297-363) | 210 | 270 | 545 | 40 | 20 | 1.4 | 380 |
HEL-34S361K | 360(324 396) | 230 | 300 | 595 | 40 | 20 | 1.4 | 405 |
HEL-34S391K | 390(351-429) | 250 | 320 | 650 | 40 | 20 | 1.4 | 435 |
HEL-34S431K | 430(387-473) | 275 | 350 | 710 | 40 | 20 | 1.4 | 500 |
HEL-34S471K | 470(423-517) | 300 | 385 | 775 | 40 | 20 | 1.4 | 505 |
HEL-34S511K | 510(459- 561) | 320 | 415 | 845 | 40 | 20 | 1.4 | 505 |
HEL-34S561K | 560(504 616) | 350 | 460 | 925 | 40 | 20 | 1.4 | 510 |
HEL-34S621K | 620(558 682) | 385 | 505 | 1025 | 40 | 20 | 1.4 | 515 |
HEL-34S681K | 680(612-748) | 420 | 560 | 1120 | 40 | 20 | 1.4 | 560 |
HEL-34S821K | 820(738- 902) | 510 | 670 | 1355 | 40 | 20 | 1.4 | 680 |
HEL-34S911K | 910(819 -1001) | 550 | 745 | 1500 | 40 | 20 | 1.4 | 750 |
HEL-34S102K | 1000(900-1100) | 625 | 825 | 1815 | 40 | 20 | 1.4 | 780 |
HEL-34S122K | 1200(1080-1320) | 750 | 980 | 2000 | 40 | 20 | 1.4 | 800 |